Rajdhan Metal is a leading Carbon Steel Welding Neck Flange supplier for construction, petrochemical and oilfield customers because we offer competitive prices and superior product quality.
Carbon Steel Welding Neck Flanges are flanges created to be attached to a piping system via butt welding. The specifications for this type of flange are extensive. Carbon Steel Welding Neck Flange has a higher level of carbon in relation to iron than other types of steel. This higher carbon content provides greater overall strength in the Carbon Steel Welding Neck Flanges. Nose Weld Flange is preferred for high-stress applications despite being more expensive due to its long neck and cost of labour to connect it with a pipeline or fitting. Stresses are transmitted to the pipeline by the hubs or necks. Important strengthening of the Carbon Steel Welding Neck Flange is provided by the progressive shift in thickness from the hub base to the wall thickness at the butt weld. Reduced turbulence and erosion due to the Carbon Steel Welding Neck Flange’s bore matching the pipeline's bore. The ID of the pipe or fitting is machined to match the bore of the weld neck flange. This reduces turbulence at the welding neck and creates a smooth transition to and from the Carbon Steel Welding Neck Flange. Therefore, it's crucial to mention the pipe schedule when purchasing a Carbon Steel Welding Neck Flange. The full penetration weld used to join the weld neck flange to the pipe ensures efficient stress distribution through the tapered neck. Both raised face and flat face configurations of the weld neck flange are offered. The majority of weld neck flanges are either extra heavy or standard bore. Carbon Steel Welding Neck Flanges routinely undergo our strict quality check process.
| Specifications | ASTM A105, A694, A350 / ASME SA105, SA694, SA350 |
| Dimensions | ANSI/ASME B16.5, B16.47 Series A & B, B16.48, BS4504, BS 10, EN-1092, DIN, etc. |
| Standard | ANSI Flanges, ASME Flanges, BS Flanges, DIN Flanges, EN Flanges, etc. |
| Size | 1/2″ (15 NB) to 48″ (1200NB) |
| Class / Pressure | 150#, 300#, 600#, 900#, 1500#, 2500#, PN6, PN10, PN16, PN25, PN40, PN64 etc. |
| Flange Face Type | Flate Face (FF), Raised Face (RF), Ring Type Joint (RTJ) |
Call us to get the latest price list for Carbon Steel Welding Neck Flanges in Mumbai, Maharashtra. We have special offers available for CS Weld Neck Flange with the best price.
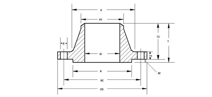
| Size | ID* | OD | Bolt Circle (BC) |
Raised Face (R) |
Raised Face (RF) |
H | H1 | Raised Face Thickness (T) |
T1 | Flat Face Thickness (T2) |
Bolt Hole (B) |
No. of Bolt Holes |
|---|---|---|---|---|---|---|---|---|---|---|---|---|
| 1/2" | 0.62" | 3.50" | 2.38" | 1.38" | .063" | 1.19" | 0.84" | 1.88" | .38" | 1.82" | .62" | 4 |
| 3/4" | 0.82" | 3.88" | 2.75" | 1.69" | .063" | 1.50" | 1.05" | 2.06" | .44" | 2.00" | .62" | 4 |
| 1" | 1.05" | 4.25" | 3.12" | 2.00" | .063" | 1.94" | 1.32" | 2.19" | .50" | 2.13" | .62" | 4 |
| 1-1/4" | 1.38" | 4.62" | 3.50" | 2.50" | .063" | 2.31" | 1.66" | 2.25" | .56" | 2.19" | .62" | 4 |
| 1-1/2" | 1.61" | 5.00" | 3.88" | 2.88" | .063" | 2.56" | 1.90" | 2.44" | .62" | 2.38" | .62" | 4 |
| 2" | 2.07" | 6.00" | 4.75" | 3.62" | .063" | 3.06" | 2.38" | 2.50" | .69" | 2.44" | .75" | 4 |
| 2-1/2" | 2.47" | 7.00" | 5.50" | 4.12" | .063" | 3.56" | 2.88" | 2.75" | .82" | 2.69" | .75" | 4 |
| 3" | 3.07" | 7.50" | 6.00" | 5.00" | .063" | 4.25" | 3.50" | 2.75" | .88" | 2.69" | .75" | 4 |
| 3-1/2" | 3.55" | 8.50" | 7.00" | 5.50" | .063" | 4.81" | 4.00" | 2.81" | .88" | 2.75" | .75" | 8 |
| 4" | 4.03" | 9.00" | 7.50" | 6.19" | .063" | 5.31" | 4.50" | 3.00" | .88" | 2.94" | .75" | 8 |
| 5" | 5.05" | 10.00" | 8.50" | 7.31" | .063" | 6.44" | 5.56" | 3.50" | .88" | 3.44" | .88" | 8 |
| 6" | 6.07" | 11.00" | 9.50" | 8.50" | .063" | 7.56" | 6.63" | 3.50" | .94" | 3.44" | .88" | 8 |
| 8" | 7.98" | 13.50" | 11.75" | 10.62" | .063" | 9.69" | 8.63" | 4.00" | 1.06" | 3.94" | .88" | 8 |
| 10" | 10.02" | 16.00" | 14.25" | 12.75" | .063" | 12.00" | 10.75" | 4.00" | 1.13" | 3.94" | 1.00" | 12 |
| 12" | 12.00" | 19.00" | 17.00" | 15.00" | .063" | 14.38" | 12.75" | 4.50" | 1.19" | 4.44" | 1.00" | 12 |
| 14" | 13.25" | 21.00" | 18.75" | 16.25" | .063" | 15.75" | 14.00" | 5.00" | 1.32" | 4.94" | 1.12" | 12 |
| 16" | 15.25" | 23.50" | 21.25" | 18.50" | .063" | 18.00" | 16.00" | 5.00" | 1.38" | 4.94" | 1.12" | 16 |
| 18" | 17.25" | 25.00" | 22.75" | 21.00" | .063" | 19.88" | 18.00" | 5.50" | 1.50" | 5.44" | 1.25" | 16 |
| 20" | 19.25" | 27.50" | 25.00" | 23.00" | .063" | 22.00" | 20.00" | 5.69" | 1.63" | 5.63" | 1.25" | 20 |
| 22" | 21.25" | 29.50" | 27.25" | 25.25" | .063" | 24.25" | 22.00" | 5.88" | 1.75" | 5.82" | 1.38" | 20 |
| 24" | 23.25" | 32.00" | 29.50" | 27.25" | .063" | 26.12" | 24.00" | 6.00" | 1.82" | 5.94" | 1.38" | 20 |
| Size | ID* | OD | Bolt Circle (BC) |
Raised Face (R) |
Raised Face (RF) |
H | H1 | Raised Face Thickness (T) |
T1 | Flat Face Thickness (T2) |
Bolt Hole (B) |
No. of Bolt Holes |
|---|---|---|---|---|---|---|---|---|---|---|---|---|
| 1/2" | 0.62" | 3.75" | 2.62" | 1.38" | .063" | 1.50" | 0.84" | 2.06" | .50" | 2.00" | 0.62" | 4 |
| 3/4" | 0.82" | 4.62" | 3.25" | 1.69" | .063" | 1.88" | 1.05" | 2.25" | .56" | 2.19" | 0.75" | 4 |
| 1" | 1.05" | 4.88" | 3.50" | 2.00" | .063" | 2.12" | 1.32" | 2.44" | .63" | 2.38" | 0.75" | 4 |
| 1-1/4" | 1.38" | 5.25" | 3.88" | 2.50" | .063" | 2.50" | 1.66" | 2.56" | .69" | 2.50" | 0.75" | 4 |
| 1-1/2" | 1.61" | 6.12" | 4.50" | 2.88" | .063" | 2.75" | 1.90" | 2.69" | .75" | 2.63" | 0.88" | 4 |
| 2" | 2.07" | 6.50" | 5.00" | 3.62" | .063" | 3.31" | 2.38" | 2.75" | .82" | 2.69" | 0.75" | 8 |
| 2-1/2" | 2.47" | 7.50" | 5.88" | 4.12" | .063" | 3.94" | 2.88" | 3.00" | .94" | 2.94" | 0.88" | 8 |
| 3" | 3.07" | 8.25" | 6.62" | 5.00" | .063" | 4.62" | 3.50" | 3.12" | 1.06" | 3.06" | 0.88" | 8 |
| 3-1/2" | 3.55" | 9.00" | 7.25" | 5.50" | .063" | 5.25" | 4.00" | 3.19" | 1.13" | 3.13" | 0.88" | 8 |
| 4" | 4.03" | 10.00" | 7.88" | 6.19" | .063" | 5.75" | 4.50" | 3.38" | 1.19" | 3.32" | 0.88" | 8 |
| 5" | 5.05" | 11.00" | 9.25" | 7.31" | .063" | 7.00" | 5.56" | 3.88" | 1.32" | 3.82" | 0.88" | 8 |
| 6" | 6.07" | 12.50" | 10.62" | 8.50" | .063" | 8.12" | 6.63" | 3.88" | 1.38" | 3.82" | 0.88" | 12 |
| 8" | 7.98" | 15.00" | 13.00" | 10.62" | .063" | 10.25" | 8.63" | 4.38" | 1.56" | 4.32" | 1.00" | 12 |
| 10" | 10.02" | 17.50" | 15.25" | 12.75" | .063" | 12.62" | 10.75" | 4.62" | 1.82" | 4.56" | 1.12" | 16 |
| 12" | 12.00" | 20.50" | 17.75" | 15.00" | .063" | 14.75" | 12.75" | 5.12" | 1.94" | 5.06" | 1.25" | 16 |
| 14" | 13.25" | 23.00" | 20.25" | 16.25" | .063" | 16.75" | 14.00" | 5.62" | 2.06" | 5.56" | 1.25" | 20 |
| 16" | 15.25" | 25.50" | 22.50" | 18.50" | .063" | 19.00" | 16.00" | 5.75" | 2.19" | 5.69" | 1.38" | 20 |
| 18" | 17.25" | 28.00" | 24.75" | 21.00" | .063" | 21.00" | 18.00" | 6.25" | 2.32" | 6.19" | 1.38" | 24 |
| 20" | 19.25" | 30.50" | 27.00" | 23.00" | .063" | 23.12" | 20.00" | 6.38" | 2.44" | 6.32" | 1.38" | 24 |
| 22" | 21.25" | 33.00" | 29.25" | 25.25" | .063" | 25.25" | 22.00" | 6.50" | 2.57" | 6.44" | 1.62" | 24 |
| 24" | 23.25" | 36.00" | 32.0" | 27.25" | .063" | 27.62" | 24.00" | 6.62" | 2.69" | 6.56" | 1.62" | 24 |
| Size | ID* | OD | Bolt Circle (BC) |
Raised Face (R) |
Raised Face (RF) |
H | H1 | Raised Face Thickness (T) |
T1 | Flat Face Thickness (T2) |
Bolt Hole (B) |
No. of Bolt Holes |
|---|---|---|---|---|---|---|---|---|---|---|---|---|
| 1/2" | .55" | 3.75" | 2.62" | 1.38" | .250" | 1.50" | 0.84" | 2.31" | 0.56" | 2.06" | 0.62" | 4 |
| 3/4" | .74" | 4.62" | 3.25" | 1.69" | .250" | 1.88" | 1.05" | 2.50" | 0.62" | 2.25" | 0.75" | 4 |
| 1" | .96" | 4.88" | 3.50" | 2.00" | .250" | 2.12" | 1.32" | 2.69" | 0.69" | 2.44" | 0.75" | 4 |
| 1-1/4" | 1.28" | 5.25" | 3.88" | 2.50" | .250" | 2.50" | 1.66" | 2.87" | 0.81" | 2.62" | 0.75" | 4 |
| 1-1/2" | 1.50" | 6.12" | 4.50" | 2.88" | .250" | 2.75" | 1.90" | 3.00" | 0.88" | 2.75" | 0.88" | 4 |
| 2" | 1.94" | 6.50" | 5.00" | 3.62" | .250" | 3.31" | 2.38" | 3.13" | 1.00" | 2.88" | 0.75" | 8 |
| 2-1/2" | 2.32" | 7.50" | 5.88" | 4.12" | .250" | 3.94" | 2.88" | 3.37" | 1.12" | 3.12" | 0.88" | 8 |
| 3" | 2.90" | 8.25" | 6.62" | 5.00" | .250" | 4.62" | 3.50" | 3.50" | 1.25" | 3.25" | 0.88" | 8 |
| 3-1/2" | 3.36" | 9.00" | 7.25" | 5.50" | .250" | 5.25" | 4.00" | 3.63" | 1.38" | 3.38" | 1.00" | 8 |
| 4" | 3.83" | 10.00" | 7.88" | 6.19" | .250" | 5.75" | 4.50" | 3.75" | 1.38" | 3.50" | 1.00" | 8 |
| 5" | 4.81" | 11.00" | 9.25" | 7.31" | .250" | 7.00" | 5.56" | 4.25" | 1.50" | 4.00" | 1.00" | 8 |
| 6" | 5.76" | 12.50" | 10.62" | 8.50" | .250" | 8.12" | 6.63" | 4.31" | 1.62" | 4.06" | 1.00" | 12 |
| 8" | 7.63" | 15.00" | 13.00" | 10.62" | .250" | 10.25" | 8.63" | 4.87" | 1.88" | 4.62" | 1.12" | 12 |
| 10" | 9.75" | 17.50" | 15.25" | 12.75" | .250" | 12.62" | 10.75" | 5.13" | 2.12" | 4.88" | 1.25" | 16 |
| 12" | 11.75" | 20.50" | 17.75" | 15.00" | .250" | 14.75" | 12.75" | 5.63" | 2.25" | 5.38" | 1.38" | 16 |
| 14" | 13.00" | 23.00" | 20.25" | 16.25" | .250" | 16.75" | 14.00" | 6.13" | 2.38" | 5.88" | 1.38" | 20 |
| 16" | 15.00" | 25.50" | 22.50" | 18.50" | .250" | 19.00" | 16.00" | 6.25" | 2.50" | 6.00" | 1.50" | 20 |
| 18" | 17.00" | 28.00" | 24.75" | 21.00" | .250" | 21.00" | 18.00" | 6.75" | 2.62" | 6.50" | 1.50" | 24 |
| 20" | 19.00" | 30.50" | 27.00" | 23.00" | .250" | 23.12" | 20.00" | 6.87" | 2.75" | 6.62" | 1.62" | 24 |
| 22" | 21.00" | 33.00" | 29.25" | 25.25" | .250" | 25.25" | 22.00" | 7.00" | 2.88" | 6.75" | 1.75" | 24 |
| 24" | 23.00" | 36.00" | 32.00" | 27.25" | .250" | 27.62" | 24.00" | 7.13" | 3.00" | 6.88" | 1.88" | 24 |
| Size | ID* | OD | Bolt Circle (BC) |
Raised Face (R) |
Raised Face (RF) |
H | H1 | Raised Face Thickness (T) |
T1 | Flat Face Thickness (T2) |
Bolt Hole (B) |
No. of Bolt Holes |
|---|---|---|---|---|---|---|---|---|---|---|---|---|
| 1/2" | 0.55" | 3.75" | 2.62" | 1.38" | .250" | 1.50" | 0.84" | 2.31" | 0.56" | 2.06" | 0.62" | 4 |
| 3/4" | 0.74" | 4.62" | 3.25" | 1.69" | .250" | 1.88" | 1.05" | 2.50" | 0.62" | 2.25" | 0.75" | 4 |
| 1" | 0.96" | 4.88" | 3.50" | 2.00" | .250" | 2.12" | 1.32" | 2.69" | 0.69" | 2.44" | 0.75" | 4 |
| 1-1/4" | 1.28" | 5.25" | 3.88" | 2.50" | .250" | 2.50" | 1.66" | 2.87" | 0.81" | 2.62" | 0.75" | 4 |
| 1-1/2" | 1.50" | 6.12" | 4.50" | 2.88" | .250" | 2.75" | 1.90" | 3.00" | 0.88" | 2.75" | 0.88" | 4 |
| 2" | 1.94" | 6.50" | 5.00" | 3.62" | .250" | 3.31" | 2.38" | 3.13" | 1.00" | 2.88" | 0.75" | 8 |
| 2-1/2" | 2.32" | 7.50" | 5.88" | 4.12" | .250" | 3.94" | 2.88" | 3.37" | 1.12" | 3.12" | 0.88" | 8 |
| 3" | 2.90" | 8.25" | 6.62" | 5.00" | .250" | 4.62" | 3.50" | 3.50" | 1.25" | 3.25" | 0.88" | 8 |
| 3-1/2" | 3.36" | 9.00" | 7.25" | 5.50" | .250" | 5.25" | 4.00" | 3.63" | 1.38" | 3.38" | 1.00" | 8 |
| 4" | 3.83" | 10.75" | 8.50" | 6.19" | .250" | 6.00" | 4.50" | 4.25" | 1.5" | 4.00" | 1.00" | 8 |
| 5" | 4.81" | 13.00" | 10.50" | 7.31" | .250" | 7.44" | 5.56" | 4.75" | 1.75" | 4.50" | 1.12" | 8 |
| 6" | 5.76" | 14.00" | 11.50" | 8.50" | .250" | 8.75" | 6.63" | 4.87" | 1.88" | 4.62" | 1.12" | 12 |
| 8" | 7.63" | 16.50" | 13.75" | 10.62" | .250" | 10.75" | 8.63" | 5.50" | 2.19" | 5.25" | 1.25" | 12 |
| 10" | 9.75" | 20.00" | 17.00" | 12.75" | .250" | 13.5" | 10.75" | 6.25" | 2.50" | 6.00" | 1.38" | 16 |
| 12" | 11.75" | 22.00" | 19.25" | 15.00" | .250" | 15.75" | 12.75" | 6.37" | 2.62" | 6.12" | 1.38" | 20 |
| 14" | 13.00" | 23.75" | 20.75" | 16.25" | .250" | 17.00" | 14.00" | 6.75" | 2.75" | 6.50" | 1.50" | 20 |
| 16" | 15.00" | 27.00" | 23.75" | 18.50" | .250" | 19.50" | 16.00" | 7.25" | 3.00" | 7.00" | 1.62" | 20 |
| 18" | 17.00" | 29.25" | 25.75" | 21.00" | .250" | 21.50" | 18.00" | 7.50" | 3.25" | 7.25" | 1.75" | 20 |
| 20" | 19.00" | 32.00" | 28.50" | 23.00" | .250" | 24.00" | 20.00" | 7.75" | 3.50" | 7.50" | 1.75" | 24 |
| 22" | 21.00" | 34.25" | 30.63" | 25.25" | .250" | 26.25" | 22.00" | 8.00" | 3.75" | 7.75" | 1.75" | 24 |
| 24" | 23.00" | 37.00" | 33.00" | 27.25" | .250" | 28.25" | 24.00" | 8.25" | 4.00" | 8.00" | 2.00" | 24 |
| Size | ID* | OD | Bolt Circle (BC) |
Raised Face (R) |
Raised Face (RF) |
H | H1 | Raised Face Thickness (T) |
T1 | Flat Face Thickness (T2) |
Bolt Hole (B) |
No. of Bolt Holes |
|---|---|---|---|---|---|---|---|---|---|---|---|---|
| 3" | 2.90" | 9.50" | 7.50" | 5.00" | .250" | 5.00" | 3.50" | 4.25" | 1.50" | 4.00" | 1.00" | 8 |
| 4" | 3.83" | 11.50" | 9.25" | 6.19" | .250" | 6.25" | 4.50" | 4.75" | 1.75" | 4.50" | 1.25" | 8 |
| 5" | 4.81" | 13.75" | 11.00" | 7.31" | .250" | 7.50" | 5.56" | 5.25" | 3.00" | 5.00" | 1.38" | 8 |
| 6" | 5.76" | 15.00" | 12.50" | 8.50" | .250" | 9.25" | 6.63" | 5.75" | 2.19" | 5.50" | 1.25" | 12 |
| 8" | 7.63" | 18.50" | 15.50" | 10.63" | .250" | 11.75" | 8.63" | 6.63" | 2.50" | 6.38" | 1.50" | 12 |
| 10" | 9.75" | 21.50" | 18.50" | 12.75" | .250" | 14.50" | 10.75" | 7.50" | 2.75" | 7.25" | 1.50" | 16 |
| 12" | 11.75" | 24.00" | 21.00" | 15.00" | .250" | 16.50" | 12.75" | 8.13" | 3.13" | 7.88" | 1.50" | 20 |
| 14" | 13.00" | 25.25" | 22.00" | 16.25" | .250" | 17.75" | 14.00" | 8.63" | 3.38" | 8.38" | 1.63" | 20 |
| 16" | 15.00" | 27.75" | 24.25" | 18.50" | .250" | 20.00" | 16.00" | 8.75" | 3.50" | 8.50" | 1.75" | 20 |
| 18" | 17.00" | 31.00" | 27.00" | 21.00" | .250" | 22.25" | 18.00" | 9.25" | 4.00" | 9.00" | 2.00" | 20 |
| 20" | 19.00" | 33.75" | 29.50" | 23.00" | .250" | 24.50" | 20.00" | 10.00" | 4.25" | 9.75" | 2.13" | 20 |
| 24" | 23.00" | 41.00" | 35.50" | 27.25" | .250" | 29.50" | 24.00" | 11.75" | 5.50" | 11.50" | 2.63" | 20 |
| Size | ID* | OD | Bolt Circle (BC) |
Raised Face (R) |
Raised Face (RF) |
H | H1 | Raised Face Thickness (T) |
T1 | Flat Face Thickness (T2) |
Bolt Hole (B) |
No. of Bolt Holes |
|---|---|---|---|---|---|---|---|---|---|---|---|---|
| 1/2" | 0.55" | 4.75" | 3.25" | 1.38" | .250" | 1.50" | 0.84" | 2.63" | 0.88" | 2.38" | 0.88" | 4 |
| 3/4" | 0.74" | 5.13" | 3.50" | 1.69" | .250" | 1.75" | 1.05" | 3.00" | 1.00" | 2.75" | 0.88" | 4 |
| 1" | 0.96" | 5.88" | 4.00" | 2.00" | .250" | 2.06" | 1.32" | 3.13" | 1.13" | 2.88" | 1.00" | 4 |
| 1-1/4" | 1.28" | 6.25" | 4.38" | 2.50" | .250" | 2.50" | 1.66" | 3.13" | 1.13" | 2.88" | 1.00" | 4 |
| 1-1/2" | 1.50" | 7.00" | 4.88" | 2.88" | .250" | 2.75" | 1.90" | 3.50" | 1.25" | 3.25" | 1.13" | 4 |
| 2" | 1.94" | 8.50" | 6.50" | 3.63" | .250" | 4.13" | 2.38" | 4.25" | 1.50" | 4.00" | 1.00" | 8 |
| 2-1/2" | 2.32" | 9.63" | 7.50" | 4.13" | .250" | 4.88" | 2.88" | 4.38" | 1.63" | 4.13" | 1.13" | 8 |
| 3" | 2.90" | 10.50" | 8.00" | 5.00" | .250" | 5.25" | 3.50" | 4.88" | 1.88" | 4.63" | 1.25" | 8 |
| 4" | 3.83" | 12.25" | 9.50" | 6.19" | .250" | 6.38" | 4.50" | 5.13" | 2.13" | 4.88" | 1.38" | 8 |
| 5" | 4.81" | 14.75" | 11.50" | 7.31" | .250" | 7.75" | 5.56" | 6.38" | 2.88" | 6.13" | 1.63" | 8 |
| 6" | 5.76" | 15.50" | 12.50" | 8.50" | .250" | 9.00" | 6.63" | 7.00" | 3.25" | 6.75" | 1.50" | 12 |
| 8" | 7.63" | 19.00" | 15.50" | 10.63" | .250" | 11.50" | 8.63" | 8.63" | 3.63" | 8.38" | 1.75" | 12 |
| 10" | 9.75" | 23.00" | 19.00" | 12.75" | .250" | 14.50" | 10.75" | 10.25" | 4.25" | 10.00" | 2.00" | 12 |
| 12" | 11.75" | 26.50" | 22.50" | 15.00" | .250" | 17.75" | 12.75" | 11.38" | 4.88" | 11.13" | 2.13" | 16 |
| 14" | 13.00" | 29.50" | 25.00" | 16.25" | .250" | 19.50" | 14.00" | 12.00" | 5.25" | 11.75" | 2.38" | 16 |
| 16" | 15.00" | 32.50" | 27.75" | 18.50" | .250" | 21.75" | 16.00" | 12.50" | 5.75" | 12.25" | 2.63" | 16 |
| 18" | 17.00" | 36.00" | 30.50" | 21.00" | .250" | 23.50" | 18.00" | 13.13" | 6.38" | 12.88" | 2.88" | 16 |
| 20" | 19.00" | 38.75" | 32.75" | 23.00" | .250" | 25.25" | 20.00" | 14.25" | 7.00" | 14.00" | 3.13" | 16 |
| 24" | 23.00" | 46.00" | 39.00" | 27.25" | .250" | 30.00" | 24.00" | 16.25" | 8.00" | 16.00" | 3.63" | 16 |
| Size | ID* | OD | Bolt Circle (BC) |
Raised Face (R) |
Raised Face (RF) |
H | H1 | Raised Face Thickness (T) |
T1 | Flat Face Thickness (T2) |
Bolt Hole (B) |
No. of Bolt Holes |
|---|---|---|---|---|---|---|---|---|---|---|---|---|
| 1/2" | 0.55" | 5.25" | 3.50" | 1.38" | .250" | 1.69" | 0.84" | 3.13" | 1.19" | 2.88" | 0.88" | 4 |
| 3/4" | 0.74" | 5.50" | 3.75" | 1.69" | .250" | 2.00" | 1.05" | 3.38" | 1.25" | 3.13" | 0.88" | 4 |
| 1" | 0.96" | 6.25" | 4.25" | 2.00" | .250" | 2.25" | 1.32" | 3.75" | 1.38" | 3.50" | 1.00" | 4 |
| 1-1/4" | 1.28" | 7.25" | 5.13" | 2.50" | .250" | 2.88" | 1.66" | 4.00" | 1.50" | 3.75" | 1.13" | 4 |
| 1-1/2" | 1.50" | 8.00" | 5.75" | 2.88" | .250" | 3.13" | 1.90" | 4.63" | 1.75" | 4.38" | 1.25" | 4 |
| 2" | 1.94" | 9.25" | 6.75" | 3.63" | .250" | 3.75" | 2.38" | 5.25" | 2.00" | 5.00" | 1.13" | 8 |
| 2-1/2" | 2.32" | 10.50" | 7.75" | 4.13" | .250" | 4.50" | 2.88" | 5.88" | 2.25" | 5.63" | 1.25" | 8 |
| 3" | 2.90" | 12.00" | 9.00" | 5.00" | .250" | 5.25" | 3.50" | 6.88" | 2.63" | 6.63" | 1.38" | 8 |
| 4" | 3.83" | 14.00" | 10.75" | 6.19" | .250" | 6.50" | 4.50" | 7.75" | 3.00" | 7.50" | 1.63" | 8 |
| 5" | 4.81" | 16.50" | 12.75" | 7.31" | .250" | 8.00" | 5.56" | 9.25" | 3.63" | 9.00" | 1.88" | 8 |
| 6" | 5.76" | 19.00" | 14.50" | 8.50" | .250" | 9.25" | 6.63" | 11.00" | 4.25" | 10.75" | 2.13" | 8 |
| 8" | 7.63" | 21.75" | 17.25" | 10.63" | .250" | 12.00" | 8.63" | 12.75" | 5.00" | 12.50" | 2.13" | 12 |
| 10" | 9.75" | 26.50" | 21.25" | 12.75" | .250" | 14.75" | 10.75" | 16.75" | 6.50" | 16.50" | 2.63" | 12 |
| 12" | 11.75" | 30.00" | 24.38" | 15.00" | .250" | 17.38" | 12.75" | 18.50" | 7.25" | 18.25" | 2.88" | 12 |
| 6.5 Flanges Wall Thickness | ||||||||||||||
|---|---|---|---|---|---|---|---|---|---|---|---|---|---|---|
| NPS (Normal Pipe Sizes) | Outside Daimeter (O.D.) | Schedule 10 | Schedule 20 | Schedule 30 | STD Wall | Schedule 40 | Schedule 60 | EXT Hvy | Schedule 80 | Schedule 100 | Schedule 120 | Schedule 140 | Schedule 160 | XX Hvy |
| ½ | 0.84 | 0.083 | ... | ... | 0.109 | 0.109 | ... | 0.147 | 0.147 | ... | ... | ... | 0.188 | 0.294 |
| ¾ | 1.05 | 0.083 | ... | ... | 0.113 | 0.113 | ... | 0.154 | 0.154 | ... | ... | ... | 0.219 | 0.308 |
| 1 | 1.315 | 0.109 | ... | ... | 0.133 | 0.133 | ... | 0.179 | 0.179 | ... | ... | ... | 0.25 | 0.358 |
| 1 ¼ | 1.66 | 0.109 | ... | ... | 0.14 | 0.14 | ... | 0.191 | 0.191 | ... | ... | ... | 0.25 | 0.382 |
| 1 ½ | 1.9 | 0.109 | ... | ... | 0.145 | 0.145 | ... | 0.2 | 0.2 | ... | ... | ... | 0.281 | 0.4 |
| 2 | 2.375 | 0.109 | ... | ... | 0.154 | 0.154 | ... | 0.218 | 0.218 | ... | ... | ... | 0.344 | 0.436 |
| 2 ½ | 2.875 | 0.12 | ... | ... | 0.203 | 0.203 | ... | 0.276 | 0.276 | ... | ... | ... | 0.375 | 0.552 |
| 3 | 3.5 | 0.12 | ... | ... | 0.216 | 0.216 | ... | 0.3 | 0.3 | ... | ... | ... | 0.438 | 0.6 |
| 3 ½ | 4 | 0.12 | ... | ... | 0.226 | 0.226 | ... | 0.318 | 0.318 | ... | ... | ... | ... | 0.636 |
| 4 | 4.5 | 0.12 | ... | ... | 0.237 | 0.237 | ... | 0.337 | 0.337 | ... | 0.438 | ... | 0.531 | 0.674 |
| 5 | 5.563 | 0.134 | ... | ... | 0.258 | 0.258 | ... | 0.375 | 0.375 | ... | 0.5 | ... | 0.625 | 0.75 |
| 6 | 6.625 | 0.134 | ... | ... | 0.28 | 0.28 | ... | 0.432 | 0.432 | ... | 0.562 | ... | 0.719 | 0.864 |
| 8 | 8.625 | 0.148 | 0.25 | 0.277 | 0.322 | 0.322 | 0.406 | 0.5 | 0.5 | 0.594 | 0.719 | 0.812 | 0.906 | 0.875 |
| 10 | 10.75 | 0.165 | 0.25 | 0.307 | 0.365 | 0.365 | 0.5 | 0.5 | 0.594 | 0.719 | 0.844 | 1 | 1.125 | 1 |
| 12 | 12.75 | 0.18 | 0.25 | 0.33 | 0.375 | 0.406 | 0.562 | 0.5 | 0.688 | 0.844 | 1 | 1.125 | 1.312 | 1 |
| 14 | 14 | 0.25 | 0.312 | 0.375 | 0.375 | 0.438 | 0.594 | 0.5 | 0.75 | 0.938 | 1.094 | 1.25 | 1.406 | ... |
| 16 | 16 | 0.25 | 0.312 | 0.375 | 0.375 | 0.5 | 0.656 | 0.5 | 0.844 | 1.031 | 1.219 | 1.438 | 1.594 | ... |
| 18 | 18 | 0.25 | 0.312 | 0.438 | 0.375 | 0.562 | 0.75 | 0.5 | 0.938 | 1.156 | 1.375 | 1.562 | 1.781 | ... |
| 20 | 20 | 0.25 | 0.375 | 0.5 | 0.375 | 0.594 | 0.812 | 0.5 | 1.031 | 1.281 | 1.5 | 1.75 | 1.969 | ... |
| 22 | 22 | 0.25 | ... | ... | 0.375 | ... | ... | 0.5 | ... | ... | .... | .... | .... | .... |
| 24 | 24 | 0.25 | 0.375 | 0.562 | 0.375 | 0.688 | 0.969 | 0.5 | 1.219 | 1.531 | 1.812 | 2.062 | 2.344 | .... |
| 26 | 26 | .... | .... | .... | 0.375 | .... | .... | 0.5 | .... | .... | .... | .... | .... | .... |
| 30 | 30 | 0.312 | 0.5 | 0.625 | 0.375 | .... | .... | 0.5 | .... | .... | .... | .... | .... | .... |
| 36 | 36 | 0.312 | 0.5 | 0.625 | 0.375 | 0.75 | .... | 0.5 | .... | .... | .... | .... | .... | .... |
| 40 | 40 | .... | .... | .... | 0.375 | .... | .... | 0.5 | .... | .... | .... | .... | .... | .... |
| 42 | 42 | …….. | …….. | …….. | 0.375 | …….. | …….. | 0.5 | …….. | …….. | …….. | …….. | …….. | …….. |
| 48 | 48 | …….. | …….. | …….. | 0.375 | …… | ||||||||
| N In inches | Dimension | ASME B16.5 Dimensional Sizes 1/2 inches to 2 1/2 inches | ||||||||||||||
|---|---|---|---|---|---|---|---|---|---|---|---|---|---|---|---|---|
| 125 LBS 150 LBS |
300 LBS | 400 LBS | 600 LBS | 900 LBS | 1500 LBS | 2500 LBS | ||||||||||
| inches | millimeter | inches | millimeter | inches | millimeter | inches | millimeter | inches | millimeter | inches | millimeter | inches | millimeter | |||
| 1/2 | A | 3 1/2 | 88.9 | 3 3/4 | 95.2 | 3 3/4 | 95.2 | 3 3/4 | 95.2 | 4 3/4 | 121 | 4 3/4 | 121 | 5 1/4 | 133.4 | |
| b | 7/16 | 11.1 | 9/16 | 14.3 | 9/16 | 14.3 | 9/16 | 14.3 | 7/8 | 22.2 | 7/8 | 22.2 | 1 3/16 | 30.2 | ||
| D2 | 1 3/8 | 34.9 | 1 3/8 | 34.9 | 1 3/8 | 34.9 | 1 3/8 | 34.9 | 1 3/8 | 34.9 | 1 3/8 | 34.9 | 1 3/8 | 34.9 | ||
| D1 | 2 3/8 | 60.3 | 2 5/8 | 66.7 | 2 5/8 | 66.7 | 2 5/8 | 66.7 | 3 1/4 | 82.6 | 3 1/4 | 82.6 | 3 1/2 | 88.9 | ||
| n | 4 | 4 | 4 | 4 | 4 | 4 | 4 | 4 | 4 | 4 | 4 | - | 4 | 44 | ||
| d | 5/8 | 15.9 | 5/8 | 15.9 | 5/8 | 15.9 | 5/8 | 15.9 | 7/8 | 22.2 | 7/8 | 22.2 | 7/8 | 22.2 | ||
| 3/4 | A | 3 7/8 | 98.4 | 4 5/8 | 117.5 | 4 5/8 | 117.5 | 4 5/8 | 117.5 | 5 1/8 | 130 | 5 1/8 | 130 | 5 1/2 | 139.7 | |
| b | 1/2 | 12.7 | 5/8 | 15.9 | 5/8 | 15.9 | 5/8 | 15.9 | 1 | 25.4 | 1 | 25.4 | 1 1/4 | 31.8 | ||
| D2 | 1 11/16 | 42.9 | 1 11/16 | 42.9 | 1 11/16 | 42.9 | 1 11/16 | 42.9 | 1 11/16 | 42.9 | 1 11/16 | 42.9 | 1 11/16 | 42.9 | ||
| D1 | 2 3/4 | 69.8 | 3 1/4 | 82.5 | 3 1/4 | 82.5 | 3 1/4 | 82.5 | 3 1/2 | 88.9 | 3 1/2 | 88.9 | 3 3/4 | 95.2 | ||
| n | 4 | 4 | 4 | 4 | 4 | 4 | 4 | 4 | 4 | 4 | 4 | - | 4 | 44 | ||
| d | 5/8 | 15.9 | 3/4 | 19 | 3/4 | 19 | 3/4 | 19 | 7/8 | 22.2 | 7/8 | 22.2 | 7/8 | 22.2 | ||
| 1 | A | 4 1/4 | 108 | 4 7/8 | 123.8 | 4 7/8 | 123.8 | 4 7/8 | 123.8 | 5 7/8 | 149.2 | 5 7/8 | 149.2 | 6 1/4 | 159 | |
| b | 9/16 | 14.3 | 11/16 | 17.5 | 11/16 | 17.5 | 11/16 | 17.5 | 1 1/8 | 28.6 | 1 1/8 | 28.6 | 1 3/8 | 34.9 | ||
| D2 | 2 | 50.8 | 2 | 50.8 | 2 | 50.8 | 2 | 50.8 | 2 | 50.8 | 2 | 50.8 | 2 | 50.8 | ||
| D1 | 3 1/8 | 79.4 | 3 1/2 | 88.9 | 3 1/2 | 88.9 | 3 1/2 | 88.9 | 4 | 102 | 4 | 102 | 4 1/4 | 108 | ||
| n | 4 | 4 | 4 | 4 | 4 | 4 | 4 | 4 | 4 | 4 | 4 | 4 | 4 | 4 | ||
| d | 5/8 | 15.9 | 3/4 | 19 | 3/4 | 19 | 3/4 | 19 | 1 | 25.4 | 1 | 25.4 | 1 | 25.4 | ||
| 1 1/4 | A | 4 5/8 | 117.5 | 5 1/4 | 133.4 | 5 1/4 | 133.4 | 5 1/4 | 133.4 | 6 1/4 | 159 | 6 1/4 | 159 | 7 1/4 | 184.2 | |
| b | 5/8 | 15.9 | 3/4 | 19 | 13/16 | 20.6 | 13/16 | 20.6 | 1 1/8 | 28.6 | 1 1/8 | 28.6 | 1 1/2 | 38.1 | ||
| D2 | 2 1/2 | 63.5 | 2 1/2 | 63.5 | 2 1/2 | 63.5 | 2 1/2 | 63.5 | 2 1/2 | 63.5 | 2 1/2 | 63.5 | 2 1/2 | 63.5 | ||
| D1 | 3 1/2 | 88.9 | 3 7/8 | 98.4 | 3 7/8 | 98.4 | 3 7/8 | 98.4 | 4 3/8 | 111 | 4 3/8 | 111 | 5 1/8 | 130 | ||
| n | 4 | 4 | 4 | 4 | 4 | 4 | 4 | 4 | 4 | 4 | 4 | 4 | 4 | 4 | ||
| d | 5/8 | 15.9 | 3/4 | 19 | 3/4 | 19 | 3/4 | 19 | 1 | 25.4 | 1 | 25.4 | 1 1/8 | 28.6 | ||
| 1 1/2 | A | 5 | 127 | 6 1/8 | 155.6 | 6 1/8 | 155.6 | 6 1/8 | 155.6 | 7 | 177.8 | 7 | 177.8 | 8 | 203 | |
| b | 11/16 | 17.5 | 13/16 | 20.6 | 7/8 | 22.2 | 7/8 | 22.2 | 1 1/4 | 31.8 | 1 1/4 | 31.8 | 1 3/4 | 44.5 | ||
| D2 | 2 7/8 | 73 98 | 2 7/8 | 73 | 2 7/8 | 73 | 2 7/8 | 73 | 2 7/8 | 73 | 2 7/8 | 73 | 2 7/8 | 73 | ||
| D1 | 3 7/8 | 4 | 4 1/2 | 114 | 4 1/2 | 114 | 4 1/2 | 114 | 4 7/8 | 124 | 4 7/8 | 124 | 5 3/4 | 146 | ||
| n | 4 | 4 | 4 | 4 | 4 | 4 | 4 | 4 | 4 | 4 | 4 | 4 | 4 | 4 | ||
| d | 5/8 | . 15.9 | 7/8 | 22.2 | 7/8 | 22.2 | 7/8 | 22.2 | 1 1/8 | 28.6 | 1 1/8 | 28.6 | 1 1/4 | 31.8 | ||
| 2 | A | 6 | 152.4 | 6 1/2 | 165.1 | 6 1/2 | 165.1 | 6 1/2 | 165.1 | 8 1/2 | 215.9 | 8 1/2 | 215.9 | 9 1/4 | 234.9 | |
| b | 3/4 | 19 | 7/8 | 22.2 | 1 | 25.4 | 1 | 25.4 | 1 1/2 | 38.1 | 1 1/2 | 38.1 | 2 | 50.8 | ||
| D2 | 3 5/8 | 92.1 | 3 5/8 | 92.1 | 3 5/8 | 92.1 | 3 5/8 | 92.1 | 3 5/8 | 92.1 | 3 5/8 | 92.1 | 3 5/8 | 92.1 | ||
| D1 | 4 3/4 | 121 | 5 | 127 | 5 | 127 | 5 | 127 | 6 1/2 | 165.1 | 6 1/2 | 165.1 | 6 3/4 | 171 | ||
| n | 4 | 4 | 8 | 8 | 8 | 8 | 8 | 8 | 8 | 8 | 8 | 8 | 8 | 8 | ||
| d | 3/4 | 19 | 3/4 | 19 | 3/4 | 19 | 3/4 | 19 | 1 | 25.4 | 1 | 25.4 | 1 1/8 | 28.6 | ||
| 2 1/2 | A | 7 | 177.8 | 7 1/2 | 190.5 | 7 1/2 | 190.5 | 7 1/2 | 190.5 | 9 5/8 | 244 | 9 5/8 | 244 | 10 1/2 | 266.7 | |
| b | 7/8 | 22.2 | 1 | 25.4 | 1 1/8 | 28.6 | 1 1/8 | 28.6 | 1 5/8 | 41.3 | 1 5/8 | 41.3 | 2 1/4 | 57.2 | ||
| D2 | 4 1/8 | 104.8 | 4 1/8 | 104.8 | 4 1/8 | 104.8 | 4 1/8 | 104.8 | 4 1/8 | 105 | 4 1/8 | 105 | 4 1/8 | 105 | ||
| D1 | 5 1/2 | 139.7 | 5 7/8 | 149.2 | 5 7/8 | 149.2 | 5 7/8 | 149.2 | 7 1/2 | 190.5 | 7 1/2 | 190.5 | 7 3/4 | 197 | ||
| n | 4 | 4 | 8 | 8 | 8 | 8 | 8 | 8 | 8 | 8 | 8 | 8 | 8 | 8 | ||
| d | 3/4 | 19 | 7/8 | 22.2 | 7/8 | 22.2 | 7/8 | 22.2 | 1 1/8 | 28.6 | 1 1/8 | 28.6 | 1 1/4 | 31.8 | ||
| ze in Inches | Size in Millimeter | Imperfections Max. Radial Projection | |
|---|---|---|---|
| No Deeper Than the Bottom of the Serrations, millimeter | Deeper Than the Bottom of the Serrations, millimeter | ||
| 1/2 | 15 | 3.0 | 1.5 |
| 3/4 | 20 | 3.0 | 1.5 |
| 1 | 25 | 3.0 | 1.5 |
| 1 1/4 | 32 | 3.0 | 1.5 |
| 1 1/2 | 40 | 3.0 | 1.5 |
| 2 | 50 | 3.0 | 1.5 |
| 2 1/2 | 65 | 3.0 | 1.5 |
| 3 | 80 | 4.5 | 1.5 |
| 3 1/2 | 90 | 6.0 | 3.0 |
| 4 | 100 | 6.0 | 3.0 |
| 5 | 125 | 6.0 | 3.0 |
| 6 | 150 | 6.0 | 3.0 |
| 8 | 200 | 8.0 | 4.5 |
| 10 | 250 | 8.0 | 4.5 |
| 12 | 300 | 8.0 | 4.5 |
| 14 | 350 | 8.0 | 4.5 |
| 16 | 400 | 10.0 | 4.5 |
| 18 | 450 | 12.0 | 6.0 |
| 20 | 500 | 12.0 | 6.0 |
| 24 | 600 | 12.0 | 6.0 |
| astm a105 class 1500lbs wnrf flange | FOB Price: US $600-1200 / Ton |
| din 2634 pn25 carbon steel weld neck flanges | FOB Price: US $0.26-24 / Piece |
| astm a350 low temperature carbon steel wnrtj flange | FOB Price: US $5.9-400 / Piece |
| astm a350 lf6 ltcs welding neck pipe flanges | FOB Price: US $0.8-700 / Piece |
| asme b16.5 high yield cs weld neck flanges | FOB Price: US $1300-5000 / Ton |
| carbon steel wnrtj flange manufacturer | FOB Price: US $4.40-3.23 / Kilogram |
| carbon steel a105 raised face welding neck flange | FOB Price: US $0.16-1400 / Piece |
| high quality carbon steel rfwn flanges | FOB Price: US $0.25-1400 / Piece |
| ansi b16.5 carbon steel class 900 weld neck flanges | FOB Price: US $0.30-1500 / Piece |
| din 2634 pn 25 carbon steel wnrf flange supplier | FOB Price: US $6-15 / Kilogram |
| astm a694 high yield carbon steel wnff flange | FOB Price: US $1300-1100 / Ton |
| different sizes of carbon steel weld neck flanges | FOB Price: US $0.22-1200 / Piece |
| low temperature steel a350 lf3 wnrf flange | FOB Price: US $0.6-900 / Piece |
| 3 inch weld neck class 150 carbon steel flanges | FOB Price: US $3-8 / Piece |

